Skip to content

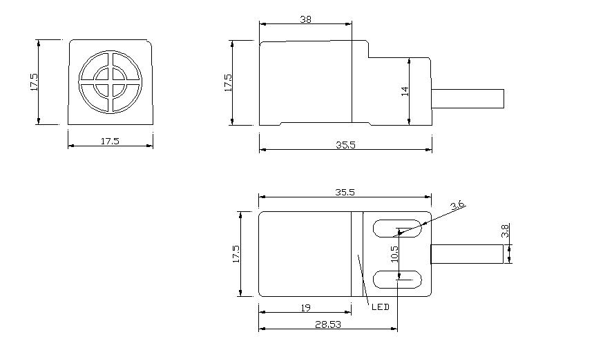
18*18 Square Type Inductive Proximity Sensors

Innovative Technology.Excellent Quality .Active Service.