Skip to content

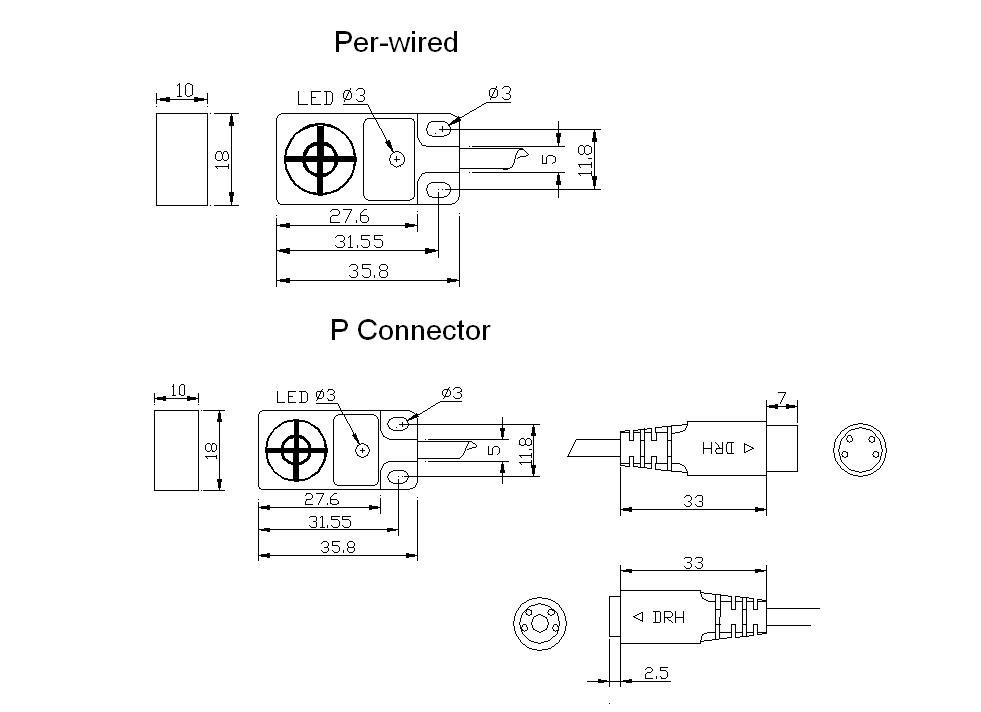
18*18 Top Sensing Square Type Inductive Proximity Sensors

Picture of frog by Ben Fredericson

Product Description

.PBT Sensing surface

All series easy & speedy replace

Sensing distance 5 mm 7 mm

Upper sensing

Innovative Technology.Excellent Quality .Active Service.